Trailer upper coupler or bolster plate and kingpin inspection and maintenance is just as important as the inspection and maintenance of the fifth wheel. The following procedures are based upon recommendations outlined in SAE J2228.
Kingpin Inspection and Maintenance Recommendations
Trailer upper coupler or bolster plate and kingpin inspection and maintenance is just as important as the inspection and maintenance of the fifth wheel.

Kingpin inspections/maintenance should be conducted every three months or 30,000 miles.
Photo: SAF-Holland
To assure proper and safe kingpin/fifth wheel coupling, kingpin inspection and maintenance should be conducted every three months or 30,000 miles.
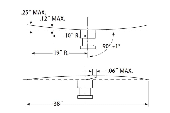
1. Using a 48-inch straight edge or a large metal right angle square, check the upper coupler plate flatness in all directions as shown in Figure 1. Any bumps, valleys, or warping will cause uneven loading of the fifth wheel, which could result in damage to the top plate and reduce lock life. If flatness exceeds the specifications as shown in Figure 2, replace the trailer upper coupler plate.

Figure 1
Photo: SAF-Holland
2. Using a square or Holland Kingpin Gage (TF-0110), check to see if the kingpin is bent. A bent kingpin can result from excessive coupling speed or impacting the trailer into a dock. A bent kingpin accelerates lock wear and may interfere with proper fifth wheel locking. This also may indicate damage. If the kingpin exceeds 1° from square in any direction as shown in Figure 2, replace it.
In addition to being bent, the kingpin may be pulled down in the center, deforming the bolster plate as shown in Figure 2. If this condition exists, replace the kingpin.

Figure 2
Source: SAF-Holland
3. The kingpin must be the proper length to couple properly with a fifth wheel. Using a Holland Kingpin Gage, check the length of the kingpin for proper length as shown in Figure 3. A long kingpin will result in excessive wear in the locks and coupling difficulty. A short kingpin will accelerate lock wear and may interfere with fifth wheel coupling. If either condition exists, replace the kingpin.

Figure 3
Photo: SAF-Holland
If an add-on aftermarket lube plate is used in your operation, make sure to check the kingpin length. The kingpin must be sized to compensate for the thickness of the lube plate. Otherwise, the kingpin will be too short. If the kingpin length is improper, the kingpin should be replaced.
4. Check the kingpin for wear as shown in Figure 4. If the kingpin is worn 1/8 inch (.125 inch) or more on either the 2-inch or 2-7/8-inch (2.875 inch) diameter in either direction, replace the kingpin. If using a Holland Kingpin Gage, wear is indicated if the appropriate diameter enters the gage slot. If the gage slides into the gage slot, replace the kingpin.

Figure 4
Photo: SAF-Holland
5. Inspect the kingpin mounting for a secure connection to the upper coupler. A loose kingpin mounting will cause excessive chucking and rapid lock wear. Reinstall or replace any kingpin that is not securely mounted.
6. Inspect the kingpin for any nicks, gouges, deformation, or cracks, which may interfere or affect the safe use of the kingpin. If any damage is present, replace the kingpin.
7. Kingpins are made from quenched and tempered alloy steel. Weld repairs of any type will affect the strength and wear resistance of the kingpin. Additionally, arc strikes or weld craters could develop a stress riser, leading to a fatigue failure. For these reasons, SAF-Holland warns against any weld repairs. If any deficiencies are noted during kingpin inspection, replace the kingpin (see Figure 5).

Figure 5
Source: SAF-Holland
8. If kingpin replacement is required, a replacement kingpin should be selected which is similar to the type removed, or if a different style, one which can be adequately braced. The kingpin must also be matched to the thickness of the upper coupler to maintain the SAE dimensions. Kingpins are manufactured in different lengths to match the thickness of the upper coupler. Improper selection will result in a kingpin that is too long or too short as indicated in Figure 6.

Figure 6
Source: SAF-Holland
NOTE: The above steps are recommended by SAF-Holland for proper inspection and maintenance of kingpins. Follow your specific kingpin manufacturer’s instructions for maintenance and replacement procedures.
This article was authored and edited according to HDT editorial standards and style to provide useful information to our readers.
More Maintenance

International Debuts ‘My International’ Connected Platform to Centralize Fleet Data, Service, and Dealer Communication
International’s New digital ecosystem unifies telematics, maintenance, and dealer interaction into a single interface, aiming to reduce downtime and deliver predictive fleet insights.
Read More →
Saving Fuel at the Wheel End
Wheel ends are often overlooked in the quest for better fuel economy. But Joshua Kucera, product manager, Stemco, warns that neglecting wheel ends can reduce fuel economy and increase maintenance headaches.
Read More →
Nominations Open for HDT Truck Fleet Innovators 2026
Heavy Duty Trucking is searching for forward-looking leaders at trucking fleets as nominations for HDT’s Truck Fleet Innovators 2026. Deadline is May 15.
Read More →
Beyond Predictive: Questar Adds AI-Driven Repair Recommendations to Fleet Maintenance
Questar’s latest maintenance platform uses AI to flag potential failures, recommend repairs, and estimate the cost of waiting, helping fleets prioritize maintenance and save money and downtime.
Read More →
API Formally Approves Next-Gen Engine Oil Category for 2027 Engines
Heavy-duty engine oil marketers can begin finalizing formulations and preparing product packaging to meet the new oil specifications ahead of the January 1 licensing date.
Read More →
Fontaine Expands Flatbed Lineup with New Fleet-Focused Models, Eyes 2027 Launch
Fontaine is broadening its flatbed lineup with new models aimed at fleets, including a lightweight aluminum trailer expected in 2027 that emphasizes durability, repairability, and lower cost.
Read More →
Fullbay Acquires Pitstop to Strengthen AI-Powered Predictive Maintenance
Pitstop AI will use Fullbay's extensive shop data to drive predictive maintenance for trucking fleets and repair shops.
Read More →
HDT Honors the Best New Products of 2025 at TMC [Photos]
Heavy Duty Trucking's Top 20 Products awards recognize the best new products and technologies. Check out the award presentations at the 2026 Technology & Maintenance Council annual meeting.
Read More →
Detroit Engines: Trusted Performance, Built for What's Next
The Detroit® Gen 6 engine platform proves that real progress doesn’t require a complete redesign. Built on 20 years of trusted technology, these engines are designed for efficiency, stronger performance, and greater reliability than before. And they do it all while complying with 2027 EPA standards on every mile.
Read More →
EPA Targets DEF Sensor Failures Behind Truck Derates
New guidance allows engine makers to replace problematic DEF sensors with NOx-based systems, aiming to reduce unnecessary derates and downtime caused by failures in the sensors designed to monitor diesel exhaust fluid on trucks.
Read More →
